Air Separation Unit ♦Air separation equipment (ASU) uses air as raw material, converts air into liquid through compression, circulation and deep cooling, and then gradually separates and produces oxygen, nitrogen, argon and other gases or liquids from the liquid air through a distillation tower. ♦T
Air Separation Unit
♦Air separation equipment (ASU) uses air as raw material, converts air into liquid through compression, circulation and deep cooling, and then gradually separates and produces oxygen, nitrogen, argon and other gases or liquids from the liquid air through a distillation tower.

♦The air separation equipment designed and manufactured by the company adopts advanced low-pressure process flow and technology, efficient air compression technology, air purification technology, new structured filing technology, and hydrogen-free argon production technology, eliminating the high energy consumption characteristics of traditional designs.The equipment occupies a small area,the distillation tower cold box is skid-mounted as a whole, the production and installation cycle is short, and the operation is stable.
![]() |
![]() |
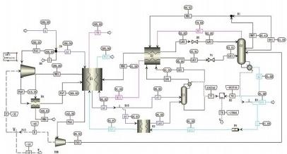
♦Air separation equipment (ASU) mainly includes air filtration system,air compression system, air precooling system, molecular sieve purification system, fractionation tower system, expansion unit, instrumentation and control system, electronic control system, liquid storage and vaporization system.The main process flow is: after the raw air is filtered to remove mechanical impurities such as dust, it enters the air compressor, where it is inter-stage cooled with the help of an intercooler to compress the air to the required pressure, and then is sent to thee pre-cooling system to cool it down to -10℃ .
♦The air from the pre-cooling system enters the molecular sieve adsorber. The two adsorbers are used alternately, that is, one adsorber is working, and the other adsorber is regenerated with polluted nitrogen.The cooled wet saturated air enters the purification system, and in thee molecular sieve adsorber, the moisture, CO2, C2H2 and other impurities in the air are removed to obtain clean and dry air. The purified air enters the distillation tower system, where oxygen, nitrogen, argon, etc. are distilled out,and the distilled liquid oxygen, liquid nitrogen, liquid argon, etc. are sent to the storage system.
![]() |
![]() |
![]() |
| Compression System | Precooling System | Purification System |
![]() |
![]() |
![]() |
| Heat Exchange System | Fractionation System | Storage System |
Contact Number
86-18437334606
Working hours
24-hour online
Service hotline
0373-2677103
